전화 해
국내:+86-18169817259
해외:+86-13790081902
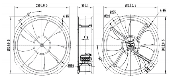
재질: 전기 코팅, 7 팬 블레이드, 알루미늄 합금 또는 PA66 으로 만든 프레임이있는 냉판으로 만든 임펠러
베어링: 볼 베어링
속도 제어: 제어 입력 0 ~ 10V/PWM
일 온도: -25 ~ 55 °C
절연 클래스: B
보호 클래스: IP44

성능:

작업 지점 | 정적 압력 (Pa) | 기류 (m3/H) | 속도 (r/min) | 힘 (W) |
1 | 40 | 1700 | 2750 | 100 |
2 | 90 | 1500 | 2750 | 110 |
3 | 110 | 1320 | 2750 | 115 |
4 | 120 | 1150 | 2760 | 120 |
매개 변수: (사용자 정의 가능)
팬 모델 | 모터 유형 | 전압 | 힘 | 현재 | 속도 | 기류 | 소음 |
(V) | (W) | (A) | (R/min) | (M3/H) | Lp:dB(A) | ||
AG250A-D092A6-** | DM092A6 | DC24V | 110 | 4.5 | 2750 | 1700 | 66 |
AG250A-D092A8-** | DM092A8 | DC48V | 120 | 2.45 | 2750 | 1700 | 66 |
AG250A-D092A0-** | DM092A0 | DC310/160V | 120 | 0.45 | 2750 | 1700 | 66 |
| AG250C-E072B3-** | EM072B3 | AC110-230V | 100 | 0.71 | 2550 | 1700 | 63 |