전화 해
국내:+86-18169817259
해외:+86-13790081902
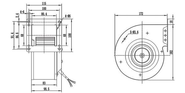
재질: 냉연 강판으로 만든 아연 도금 판 스크롤 하우징으로 만든 임펠러
베어링: 볼 베어링
속도 제어: 제어 입력 0-5/10V 또는 PWM
일 온도: -25 ~ 60 °C
절연 클래스: B
보호 클래스: IP44

성능:

작업 지점 | 정적 압력 (Pa) | 기류 (m3/H) | 속도 (r/min) | 힘 (W) |
1 | 85 | 285 | 2410 | 60 |
2 | 175 | 240 | 2616 | 59 |
3 | 240 | 205 | 2796 | 56 |
4 | 300 | 170 | 2797 | 46 |
매개 변수: (사용자 정의 가능)
팬 모델 | 모터 유형 | 전압 | 힘 | 현재 | 속도 | 기류 | 소음 |
(V) | (W) | (A) | (R/min) | (M3/H) | Lp:dB(A) | ||
DG120B-D072A6-** | DM072A | DC24 | 60 | 2.5 | 2200 | 320 | 67 |
DG120B-D072A8-** | DC48 | 60 | 1.3 | 2200 | 320 | 67 | |
DG120B-D072A0-** | DC310 | 60 | 0.46 | 2200 | 320 | 67 |