전화 해
국내:+86-18169817259
해외:+86-13790081902
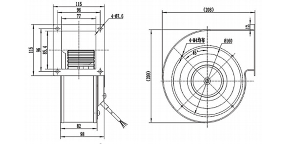
SunxFan 140mm DC 단일 입구 앞으로 원심 팬 CE 인증 산업 원심 송풍기 팬
모델: DG140A-D072A
임펠러 재질: PA66 & 금속
베어링: 유지 보수 무료 볼 베어링
속도 제어: 제어 입력 0-10v 또는 PWM
보호 유형: IP44
승인: CCC CE
절연 클래스: B
일 온도:-25 ~ 60 °C
공격적인 환경에 적합한 스크롤 하우징이있는 방사형 곡선 원심 팬,
예를 들어 클린 룸, 데이터 센터 또는 쿨러 팬 응용 프로그램

성능:

작업 지점 | 정적 압력 (Pa) | 기류 (m3/H) | 속도 (rlmin) | 힘 (W) |
| 1 | 80 | 305 | 1960 | 61 |
| 2 | 185 | 270 | 2160 | 60.5 |
| 3 | 290 | 230 | 2420 | 60 |
| 4 | 85 | 375 | 2530 | 100 |
| 5 | 160 | 340 | 2672 | 101 |
| 6 | 240 | 310 | 2860 | 101 |
매개 변수: (사용자 정의 가능)
팬 모델 | 모터 유형 | 전압 | 힘 | 현재 | 속도 | 기류 | 소음 |
| (V) | (W) | (A) | (R/min) | (M3/H) | Lp:dB(A) | ||
| DG140B-D072A6-** | DM072A | DC24 | 60 | 2.6 | 1800 | 340 | 65 |
| DG140B-D072A8-* | DC48 | 60 | 1.3 | 1800 | 340 | 65 | |
| DG140B-D092A0-** | DC310 | 100 | 0.73 | 2400 | 400 | 75 |