전화 해
국내:+86-18169817259
해외:+86-13790081902
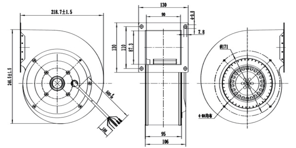
재질: 아연 도금 플레이트로 만든 임펠러, 냉각 압연 강판으로 만든 스크롤 하우징
베어링: 볼 베어링
속도 제어: 시프트 탭 (다중 속도 제품)
일 온도: -25 ~ 55 °C
절연 클래스: F
보호 클래스: IP44
승인: CCC, CE

성능:

작업 지점 | 정적 압력 (Pa) | 기류 (m3/H) | 속도 (r/min) | 힘 (W) |
1 | 150 | 450 | 1950 | 175 |
2 | 250 | 420 | 2150 | 165 |
3 | 400 | 360 | 2380 | 156 |
4 | 450 | 315 | 2480 | 145 |
팬 모델 | 모터 유형 | 전압 | 힘 | 현재 | 속도 | 기류 | 소음 |
(V) | (W) | (A) | (R/min) | (M3/H) | Lp:dB(A) | ||
DG160B-A092D2-00 | AM092D | AC230/50Hz | 185 | 0.85 | 1550 | 490 | 65 |